欧冠投注官网入口在非厄米拓扑物态研究方面取得重要进展
来源: 供稿: 摄影: 审核:陈珂、郑宁 作者: 发布时间:2024-07-24 浏览量:

日前,欧冠官方网站张向东教授课题组和新加坡国立大学Ching Hua Lee等合作利用经典电路网络实现了奇异束缚态的实验观测。相关成果以“Experimental observation of exceptional bound states in a classical circuit network”为题发表在Science Bulletin期刊[Science Bulletin 69 (2024) 2194-2204]上。欧冠投注官网入口集成电路与电子学院博士后邹德源和欧冠官方网站陈天副教授为该论文共同第一作者,欧冠官方网站张向东教授、新加坡国立大学Ching Hua Lee、新加坡科技与设计大学Yee Sin Ang和湘潭大学孟海瑜为论文通讯作者。该研究工作得到了国家自然科学基金委的大力支持。
研究背景
纠缠熵是衡量量子系统中不同部分之间联系紧密程度的物理量。它告诉我们,拥有系统一个部分的信息后,能在多大程度上推导出另一个部分的信息。它揭示了粒子之间隐藏的相关性,这对开发量子计算和量子通信的新技术至关重要。传统量子力学只关注粒子和能量不被破坏或产生的保守系统即厄米系统。在厄米系统中,纠缠熵通常为正的。然而,当这种限制被解除时即在非厄米系统中,有趣的新物理现象就会出现。在非厄米系统中,纠缠熵的概念需要被修改,因为当粒子数量改变时,信息也会丢失。这就引出了负纠缠熵的新概念。负纠缠熵被证明在物理和工程的许多领域,特别是量子信息技术领域具有深远的影响。虽然在非厄米量子系统中实现负纠缠熵的理论方法在几年前就已经被提出,但在量子实验中实际观察到负纠缠并不容易。这是因为研究人员需要以一种获得或失去能量的方式操纵复杂的量子态,同时还要测量它们的纠缠程度。同时实现它们是一项重大的挑战。
最近,奇异束缚态引起了人们的广泛关注。奇异束缚态代表了一类新的受非厄米异常点缺陷保护的鲁棒性束缚态。不同于非厄米系统中更著名的拓扑态和趋肤态理论,它最近被发现是量子纠缠中负纠缠熵的新来源。由于其在数学上具有负纠缠熵,使得它很难在实验上被实现。一个非常重要的问题是:这种深奥的负纠缠奇异束缚态能在现实实验中实现吗?在这项工作中,研究人员在理论上和实验上给出了肯定答案。
最近,基于电路系统实验观测各种新奇的拓扑物态引起了人们广泛关注。相比于其它经典系统,电路系统具有灵活可重构的连接特性。并且,电路的性质是由电路网络中端点连接的方式决定的,与线路的具体形状和空间维度无关。基于电路系统的这些优势,一些在凝聚态系统以及其它经典系统中从来没有实现的拓扑物态也在拓扑电路中被成功实现。作为一种特殊类型的数学本征态,奇异束缚态从本质上并不局限于任何特定的物理系统。特别的是,即使奇异束缚态最初被定义为费米子传播子的负概率本征态,它们也可以等价地作为具有相同数学形式的电路拉普拉斯算子的物理本征态存在。因此,研究人员完全可以基于电路系统去实现负纠缠奇异束缚态。
综上所述,研究人员基于电路系统实验实现了具有负纠缠熵的奇异束缚态。通过观测谐振电压分布,他们成功展现出了与理论一致的奇异束缚态特性。下面从电路构建和实验实现两方面做介绍。
研究亮点之一:奇异束缚态的电路设计
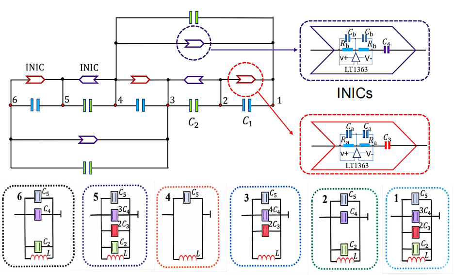
首先,研究人员基于量子薛定谔方程与电路基尔霍夫方程数学形式上的一致性,将奇异束缚态的晶格模型引入到电路模型中。他们的方案示意图如图1所示。该电路包含6个节点(标记1-6),每个节点间通过电容和负阻抗转换器(INIC)连接。INIC的具体结构如右上侧虚线框所示,它提供了电路中的非互易耦合连接。另外,每个节点都应连接相应的接地元件以保证在位能。这样的一个电路网络能够与量子晶格模型之间存在良好的对应关系。通过输入电压并测量共振频率分布,研究人员就可以等效得到奇异束缚态的本征值和本征态等信息。

图1. 奇异束缚态电路示意图。
在图2中,研究人员展示了具体的电路仿真结果。其中左图为电压分布结果,它的x,y和z三个坐标轴分别代表电路的6个节点,频率范围以及电压分布。研究人员根据谐振频率下的电压分布图可以直接读出奇异束缚态特性。从图中结果可以看出,高电压主要分布在4个频率上。这4个频率即为我们奇异束缚态系统的4个本征值,他们相应的电压即为本征态。进一步,研究人员还通过阻抗矩阵还原了奇异束缚态系统的哈密顿量。它的矩阵元分布如右图所示,研究人员发现它与晶格模型的哈密顿量基本一致。因此,研究人员完全可以基于电路系统去实验实现奇异束缚态。

图2.奇异束缚态电路仿真结果。
研究亮点之二:奇异束缚态的实验验证
为了验证奇异束缚态的可实现性,研究人员还在他们的工作中展示了奇异束缚态的实验实现。具体实验电路如图3上图所示。与电路设计相对应,该电路中同样含有6个节点。黄色虚线框中展示的是由集成电路运放、电容和电阻构成的INIC。上部三个点分别为保证集成运放正常工作的正负电压以及接地。通过该电路实验,研究人员成功观察到了奇异束缚态。相应的实验结果展示在图3下图中。与图2模拟结果相似,研究人员同样在具体电路实验中测量了每个节点的电压随频率的分布。高电压同样分布在4个频率上。这4个频率即为我们奇异束缚态系统的4个本征值,他们相应的电压即为本征态。

图3. 奇异束缚态的电路实验图以及实验结果图。
为了验证实验的准确性,研究人员还对实验与模拟结果进行了详细对比,结果展示在图4中。上图展示的是节点1电压随频率的分布,下图展示的是固定频率下,电压在不同点上的分布。我们发现图中展示的实验结果与模拟的节点电压分布非常接近。这充分说明了研究人员成功通过电路系统实现了奇异束缚态的实验观测。

图4.奇异束缚态模拟与实验对比图。
总结与展望
奇异束缚态最初被定义为自由费米子纠缠哈密顿量的神秘负概率本征态,它不是一个物理算子,它存在于数学抽象领域,原则上是不可观测的。然而,研究人员成功通过经典电路的拉普拉斯算子来实现了自由费米子投影,实验上成功观察到了这种奇异束缚态。展望未来,基于电路可以探测更高维度的其它系统难以研究的奇异物理特性,这为拓扑、非厄米和电路系统的三重相互作用开辟了一个新舞台。
